МЫ СВЯЖЕМСЯ С ВАМИ
СОВРЕМЕННЫЕ ТЕХНОЛОГИИ ПРОИЗВОДСТВА
ЖЕСТКИЕ КРИТЕРИИ ОТБОРА СЫРЬЯ
КВАЛИФИЦИРОВАННЫЕ РАБОЧИЕ
+7 (967) 555-23-92
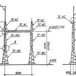
Обратный звонокКомпания «РУС-ОПОРА» в Брянске занимается производством несущих конструкций, которые являются основой открытых распределительных устройств, то есть держателей для проводов. Порталы ОРУ выполняются сварным и болтовым или комбинированным методом. Вы всегда можете заказать у нас порталы ОРУ 220 кВ как стандартные, так и по индивидуальным чертежам.
Особенностью порталов является широкий диапазон рабочих температур, который простирается от -40 до + 50 градусов Цельсия, что позволяет монтировать и эксплуатировать их в любых условиях.
Такие металлоизделия изготавливаются из нержавейки, как вариант, можно использовать обыкновенную сталь, но дополнить техпроцесс обязательной антикоррозионной обработкой. Конструкции ОРУ эксплуатируются без укрытия, поэтому порталы в обязательном порядке должны выдерживать такие нагрузки как:
Порталы ОРУ подразделяются на классы в зависимости от напряжения 35кВ/110 кВ/150кВ/220 кВ/330 кВ/500кВ. Можно использовать классификацию порталов, которая базируется на технологическом назначении конструкции:
Срок эксплуатации стальных порталов ОРУ 220 кВ достаточно большой при условии проведения грамотного проектирования и выбора качественного материала. Для защиты от коррозии металлические конструкции подвергаются дополнительной антикоррозионной защите методом горячего цинкования, который обеспечивает долговечную защиту от ржавчины как наземной, так и подземной части портала.
Разместив заказ на порталы ОРУ 220 кВ в нашей компании, вы получаете гарантированно качественные металлические конструкции, что обеспечивает длительный срок их эксплуатации. Это избавляет заказчика от дополнительных трат на замену преждевременно вышедших из строя конструкций. У нас вы можете заказать порталы любой конфигурации по индивидуальным чертежам.









